Website_THN
  • de
    • EN
  • Navigation ausklappen
  • Studieninteressierte
  • Stellenangebote
  • Einrichtungen

    Einrichtungen

    • In-Institute
      • Institut für E-Beratung
      • Institut für Angewandte Informatik (IFAI)
      • Institut für Angewandte Wasserstoffforschung, Elektro- und Thermochemische Energiesysteme
      • Institut für leistungselektronische Systeme ELSYS
      • Institut für Chemie, Material- und Produktentwicklung
      • Institut für Fahrzeugtechnik
      • Institut für Energie und Gebäude (ieg)
      • Institut für Wasserbau und Wasserwirtschaft
      • Language Center
      • Ohm Professional School
      • Polymer Optical Fiber Application Center
      • Zentrum für Künstliche Intelligenz (KIZ)
    • Kompetenzzentren
      • Corporate Development, Management Accounting and Financial Control
      • Energietechnik
      • Finanzen
      • Gender and Diversity (KomGeDi)
      • Nachhaltige Ernährungs- und Ressourcenwirtschaft
      • Soziale Innovationen, Methoden und Analysen (KoSIMA)
      • Ohm User Experience Center (Ohm-UX)
      An-Institute
      • Centrum für interdisziplinäre Gesundheitsförderung e.V.
      • Centrum für interdisziplinäre Gesundheitsförderung e.V.
    • Wissenschaftliche und Forschungskooperationen
      • Digitalisierungskolleg Disruption in Creativity (DisC)
      • DuraFuelCell
      • Energie Campus Nürnberg
      • LEONARDO - Zentrum für Kreativität und Innovation
      • Nuremberg Campus of Technology
      • Technologietransferzentrum Nürnberger Land
      • Technologietransferzentrum Oberfranken: Digitale Intelligenz – KI @KMU
      Fraunhofer Forschungsgruppen
      • Future Engineering
      • Partikeltechnologien, Rohstoffinnovationen und Ressourceneffizienz
    • Administration und Service
      • Akademisches Controlling
      • Bibliothek
      • Career Service
      • Digital Transformation Office
      • Einkaufsmanagement
      • Finanzabteilung
      • Hochschulkommunikation & -marketing
      • Hochschulservice für Familie, Gleichstellung und Gesundheit
      • International Academic Services
      • International Office
      • Lehr- und Kompetenzentwicklung
      • Personalabteilung
      • Personalentwicklung
      • Qualitäts- und Prozessmanagement
      • Studienbüro
      • Team Medien
      • Technik & Facility Management
      • Wissens- und Technologietransfer
      • Zentrale Studienberatung
      • Zentrale IT
  • Fakultäten

    Fakultäten

    • Angewandte Chemie
    • Angewandte Mathematik, Physik und Allgemeinwissenschaften
    • Architektur
    • Bauingenieurwesen
    • Betriebswirtschaft
    • Design
    • Elektrotechnik Feinwerktechnik Informationstechnik
    • Informatik
    • Maschinenbau und Versorgungstechnik
    • Sozialwissenschaften
    • Verfahrenstechnik
    • Werkstofftechnik
    • Nürnberg School of Health
  • Hochschule & Region
    • Organisation und Struktur
      • Hochschulleitung und Gremien
      • Geschichte, Facts & Figures
      • Einrichtungen und Organisation
    • Hochschulwahlen
    • Profil der Ohm
      • Selbstverständnis und Strategie
      • Rahmenvereinbarung und Hochschulverträge
    • Ohm-Shop
    • Schulen
    • Freunde und Förderer
      • Bund der Freunde
      • Alumni
      • Deutschlandstipendium
      • Förderer und Stiftungen
      • Preise und Ehrungen
    • Nachhaltigkeit
      • Public Climate School
      • Governance
      • Forschung
      • Bildung
      • Infrastruktur
      • Transfer
      • Studentische Initiativen
    Hochschule & Region
  • Forschung
    • Forschungsschwerpunkte
      • Energie & Ressourcen
      • Materialien & Produktionstechnik
      • Mobilität, Verkehr, Logistik
      • Gesundheit
      • Digitalisierung & Künstliche Intelligenz
      • Nachhaltigkeit
      • Soziale & ökonomische Transformation
    • High Tech Agenda Bayern
      • Forschungsorientierte HTA Professuren
    • Publikationen
    • Forschungseinrichtungen
      • In-Institute
      • Kompetenzzentren
      • Wissenschaftliche & Forschungskooperationen
      • Fraunhofer-Forschungsgruppen
      • Ohm Innovation Center
    • Promotion und Nachwuchsförderung
      • Promovieren an der Ohm
      • Promotionsbegleitendes Programm
      • Service für den wissenschaftlichen Nachwuchs
      • Promotionszentrum Materialien und Produktionstechnik
      • Promotionszentrum Energietechnik
      • Kontakt
    • Beratung und Service
      • Angebote der Zentralstelle für Wissens- und Technologietransfer
      • Fördermittelrecherche
      • Nationale Fördermöglichkeiten
      • Internationale Fördermöglichkeiten
      • Auftragsforschung
      • Dienstleistungen: Gutachten und Messreihen
      • aFuE-Verträge und Geheimhaltungsvereinbarungen
      • Erfinder- und Patentberatung
      • Gute Wissenschaftliche Praxis
      • Kontakt und Anfahrt
    • Transfer und Kooperationen
      • Servicestelle Outreach und Forschungsinfrastruktur
      • Transferverständnis & -strategie
      • Kooperationen mit der Wirtschaft
      • Kooperationen mit gemeinnützigen Partnern
      • Internationale Forschungsprojekte
      • Hochschulnetzwerke
      • Internationale Netzwerke
      • Crowdhelix - Open Innovation Plattform
      • Future Code Bayern
    • Ohm Innovation Talks
    Forschung
  • Studium
    • Studien- und Bildungsangebot
      • Alle Studiengänge
      • Bachelorstudiengänge
      • Masterstudiengänge
      • Duale Studienmodelle
      • Orientierungsstudium MINT (O-MINT)
      • Modulstudium / Gaststudium
      • Virtuelle Hochschule Bayern
    • Studienorientierung und Studienwahl
      • Masterstudiengänge stellen sich vor
      • Studieninfotage
      • Angebote für bestimmte Zielgruppen
      • Orientierungsstudium MINT (O-MINT)
      • Schulbesuche der Ohm
      • Warum die Ohm
      • Schritt für Schritt zum richtigen Studiengang
      • Zentrale Studienberatung
      • Studienberatungsportal
      • Mut zum Studium
      • Schnuppervorlesungen
    • Zulassung und Bewerbung
      • Zulassungsvoraussetzungen
      • Bewerbungsablauf
      • Bewerbungszeiträume
      • FAQ Bewerbung
    • Erfolgreich durchs Studium
      • Vorbereitungskurse
      • Zentrale Studienberatung
      • Studienbüro
      • Mut zum Studium
      • Bibliothek
      • Überfachliche Kompetenzen
      • Angebote für bestimmte Zielgruppen
    • Karrierewege
      • Career-Service
      • Technik-Mentoring simone
      • Hochschuljobbörse
      • Promotionsberatung
      • Gründungsberatung
      • Alumni
    • Auslandsförderung
    • Studentisches Leben
      • Wohnen in Nürnberg
      • Mobilität
      • Mitbestimmung an der Ohm
      • Hochschulsport
      • Strohm & Söhne
      • Verpflegung am Campus
      • Musik an der Ohm
      • Theater an der Ohm
      • Nachhaltigkeit im Studentenleben
    • Studienfinanzierung
      • Überblick Stipendien
      • Deutschlandstipendium
      • BAföG
      • Studienkredite
      • Kontakt und Beratung
    • Wichtiges zum Studienstart
      • Sicherheitsunterweisung und KI-Schulung
      • Studierendenwerkbeitrag
      • Termine im Überblick
      • Einführungsveranstaltungen
      • Lehrveranstaltungen
      • Semesterticket
      • Anrechnung von Leistungen
      • Vorbereitungskurse
      • Ohm-Card
    Studium
  • Internationales
    • Ohm International School
      • Internationale Studiengänge
      • Englischsprachige Lehre
      • International Summer School
      • Internationalisierungsprojekte
    • International Academic Services
      • Studieninteressierte
      • Studierende
    • International Office
      • Von der Ohm ins Ausland
      • Vom Ausland an die Ohm
      • Internationale Kooperationen
      • Internationaler Campus
    • Language Center
      • Leistungen und Angebote
      • Deutsche Sprachprüfung für den Hochschulzugang
    Internationales
  • Weiterbildung
    • Ohm Professional School
    • Themenfelder
    • Berufsbegleitende Studiengänge
    • Zertifikatslehrgänge
    • Seminare
    • Fachtage und Kolloquien
    • Welches Angebot passt zu mir?
    • Informationsveranstaltungen
    Weiterbildung
  • Beratung & Services
    • Beratungsstellen
      • Beratungsstelle der Behindertenbeauftragten
      • Career-Service
      • Duales Studium
      • Für Beruflich Qualifizierte
      • Gründungsberatung Ohm-Potentiale
      • Hochschulservice für Familie, Gleichstellung & Gesundheit
      • Psychologische Beratung
      • Zentrale Studienberatung
    • Serviceeinrichtungen
      • Bibliothek
      • Hochschulservice für Familie, Gleichstellung und Gesundheit
      • Info-Point / Lost & Found
      • International Office
      • Lehr- und Kompetenzentwicklung
      • LEO Labs
      • Studienbüro
      • Zentrale IT
    • Onlineservices
      • Bewerbungsportal
      • Hochschuljobbörse
      • Ideenportal
      • Online-Studiengangstests
      • Studienberatungsportal
    • Öffnungszeiten
    • Lagepläne
    Beratung & Services
  • Karriere bei uns
    • Attraktiver Standort
    • Warum zur Ohm?
    • Ansprechpartner
    • Was bietet die Ohm?
      • Für Professorinnen und Professoren
      • Für Beschäftigte
    • Welche Berufsgruppen gibt es an der Ohm?
      • Professur
      • Wissenschaftliche Mitarbeit
      • Lehrauftrag
      • Wissenschaftsunterstützendes Personal
      • Ausbildung
    • Stellenangebote
      • Stellenangebote Professuren
      • Stellenangebote Beschäftigte
      • Jobbörse für Studierende
      • Informationen für ausländische Bewerbende
      • Datenschutz
      • Personalrat
    Karriere bei uns
  • Forschungsschwerpunkte
    • Energie & Ressourcen
      • Laufende Projekte
      • Abgeschlossene Projekte
    • Materialien & Produktionstechnik
    • Mobilität, Verkehr, Logistik
    • Gesundheit
    • Digitalisierung & Künstliche Intelligenz
    • Nachhaltigkeit
    • Soziale & ökonomische Transformation
  • High Tech Agenda Bayern
  • Publikationen
  • Forschungseinrichtungen
  • Promotion und Nachwuchsförderung
  • Beratung und Service
  • Transfer und Kooperationen
  • Ohm Innovation Talks

  /  Forschung  /   Forschungsschwerpunkte  /   Energie & Ressourcen  /  

Laufende Projekte

RSS-Feed

Seite 1 von 2.

  • 1
  • 2
  • nächste
Coverbild zum Projekt "KNW-Opt II" (Großkollektoranlagen auf einem Ackerfeld)
01.05.2025

KNW-Opt II

Skalierbarkeit von Großkollektoranlagen und KNW-Netzen

Coverbild zum Projekt "LiSea" (Schaubild zum Verfahren zur umweltfreundlichen Gewinnung von Lithium aus Meerwasser)
01.05.2025

LiSea

Photoelektrochemische Gewinnung von Lithium aus Meerwasser

Coverbild zum Projekt "Nanolithographie-System für Integrierte Photonik und Optische Quantentechnologien"
09.04.2025

Nanolithographie-System für Integrierte Photonik und Optische Quantentechnologien

Additive Fertigung von Mikrooptiken und Photonischer Interfaces mittels Mehrphotonen-Lithographie

Coverbild zum Projekt "Ceresis"
01.01.2025

CeReSis (FH-Kooperativ 2023)

Chemisches Recycling von Silicon-Dichtstoff-Systemen (FH-Kooperativ 2023)

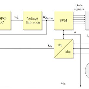
Coverbild zum Projekt "BELLU" (Technisches Blockschaltbild)
01.01.2025

BELLU

Bordnetze in der elektrischen Luftfahrt

Coverbild zum Projekt "BZ_Stapel" (E-Auto an einer Hydrogen Fuelling Station)
01.01.2025

Wasserstofftechnologien

Referenzsystem mit generischem BZ-Stapel

Coverbild zum Projekt "FutureStove - Vorentwicklung eines äußerst emissionsarmen Verbrennungssystems für Scheitholzkaminöfen" (Schematische Darstellung des Verbrennungssystems)
01.10.2024

FutureStove - Vorentwicklung eines äußerst emissionsarmen Verbrennungssystems für Scheitholzkaminöfen

Kann die sehr saubere Verbrennungstechnologie von Holzpelletöfen mit automatischer Verbrennungssteuerung auf den sehr inhomogenen Brennstoff Scheitholz übertragen werden?

Coverbild zum Projekt "DuraFuelCell" (2 Studentinnen im Labor)
01.04.2024

DuraFuelCell

Multiskalen-Untersuchung zur Entwicklung langlebiger und effizienter Wasserstoff-Brennstoffzellensysteme für mobile und stationäre Anwendungen

Coverbild zum Projekt "LoLiPoP IoT - Long Life Power Platforms for Internet of Things" (Schaubild mit einem dreidimensionalen Koordinatensystem, mit quadratischen Objekten darin enthalten)
01.06.2023

LoLiPoP IoT - Long Life Power Platforms for Internet of Things

Entwicklung innovativer Energieversorgungs-Plattformen für den langlebigen Betrieb drahtloser Sensornetzwerke und -module (WSN), die eine Nachrüstung in IoT-Anwendungen ermöglichen.

Coverbild zum Projekt "DEGREE" (Bild von der Kick-off Veranstaltung)
01.05.2023

DEGREE

Dekarbonisierung durch Digitalisierung in der Energie- und Gebäudetechnik

Seite 1 von 2.

  • 1
  • 2
  • nächste


  • Forschungsschwerpunkte
    • Energie & Ressourcen
      • Laufende Projekte
      • Abgeschlossene Projekte
    • Materialien & Produktionstechnik
    • Mobilität, Verkehr, Logistik
    • Gesundheit
    • Digitalisierung & Künstliche Intelligenz
    • Nachhaltigkeit
    • Soziale & ökonomische Transformation
  • High Tech Agenda Bayern
  • Publikationen
  • Forschungseinrichtungen
  • Promotion und Nachwuchsförderung
  • Beratung und Service
  • Transfer und Kooperationen
  • Ohm Innovation Talks

Datenschutzhinweis

Liebe Besucherin, lieber Besucher,
Sie verlassen nun die Website der Technischen Hochschule Nürnberg.

Mit einem Klick auf den unten stehenden Button gelangen Sie zu . Bitte achten Sie darauf, dass Ihre dort persönlichen Daten gut geschützt sind. Beachten Sie die dortigen Datenschutzbestimmungen sowie die Einstellungen zur Privatsphäre.

Video öffnen
Large Dropdown Menu
  • Wie erreichen Sie uns?
  • Impressum
  • Datenschutz
  • Barrierefreiheit
  • Ohm-Shop
  • Intranet