12.11.2025

RLiableDrives

Zuverlässige intelligente Regelung für elektrische Antriebe

Projektdaten

Laufzeit12.11.2025 - 12.11.2028
ForschungsschwerpunktEnergie & Ressourcen
ProjektleitungProf. Dr.-Ing. Armin Dietz
Institut ELSYS
Fakultät Elektrotechnik Feinwerktechnik Informationstechnik (efi)
ProjektpartnerZohm Control GmbH
FördergeberDeutsche Forschungsgemeinschaft (DFG)

Beschreibung

Energieeffiziente elektrische Antriebe sind eine Schlüsseltechnologie für das Erreichen der europäischen Klimaziele und ein wichtiger Bestandteil der deutschen Wirtschaft. Aufgrund der hohen Komplexität der Antriebssysteme werden in der Praxis häufig Betriebsstrategien eingesetzt, welche keine optimale Energieeffizienz erzielen.

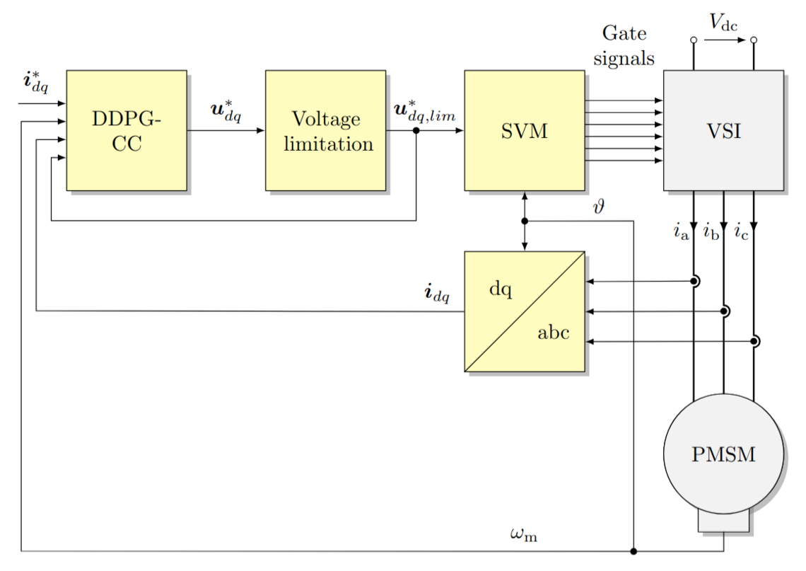
Verfahren aus dem Bereich der künstlichen Intelligenz, insbesondere des Reinforcement Learnings (RL), ermöglichen ein automatisiertes Erlernen der Regelung von anspruchsvollen elektrischen Antrieben und sind daher ein vielversprechender Ansatz für diese Problemstellung.

Eigene Veröffentlichungen sowie Veröffentlichungen anderer Forschungsgruppen stellen die Effektivität RL-basierter Verfahren in der Regelung von elektrischen Antrieben dar. Konkret werden der Aufbau und das Training von RL-basierter Stromregelung für elektrische Maschinen untersucht. Hierbei wird die Leistungsfähigkeit RL-basierter Verfahren, wenn diese in einer Simulationsumgebung trainiert und anschließend in der Anwendung unter kontrollierten Bedingungen eingesetzt werden, aufgezeigt.

Eine große Herausforderung für den Einsatz von RL im Industriekontext ist die Zuverlässigkeit des Trainingsprozesses. Gängige Praxis in der Literatur ist, dass eine große Anzahl an Agenten trainiert und der beste Agent genutzt wird. Dies ist jedoch ineffizient. Im Rahmen des Projekts werden Methoden erforscht, um die Zuverlässigkeit des RL-Trainings zu steigern. Weiterhin wird der Aspekt des sicheren Lernens untersucht, da nur so perspektivisch der Einsatz von RL-Training in der Endanwendung möglich wird.

Zurück